
简介
南皇电子专注于整合中国优质电子AD代理国内领先的现货资源,提供合理的行业价格、战略备货、快速交付控制AD芯片供应商,轻松满足您的需求AD芯片采购需求.(http://www.icbuyshop.com/)
常用的电能计量通信端口RS-485接口可能受到共模噪声、地电位差和高压瞬变的影响。具体来说,这些危险因素可能会破坏数据通信,甚至通过主节点(中央数据收集点)与电表之间的长电缆RS-永久损坏485接口。
图1显示了节点中三相电能测量的可能隔离域。隔离栅可位于模拟前端(AFE)处或RS-485通信端口。将三相AFE配合ADE7912或ADE用于隔离通信接口,测量A相,B电压和电流在C相上。RS-485收发器将三相从节点与主节点隔开,允许主节点与电表从节点之间进行可靠的控制和数据传输。不管隔离栅放在哪里,AD公司的iCoupler在系统接地差异、共模噪声和电压瞬变的情况下,技术可靠运行。
采用RS-485作为物理层更先进的电能测量标准,如IEC62052-11和IEC62053-21(有功电能1和2交流静态瓦时电表)RS-485接收器在空闲总线(无有效信号)上工作的情况,规定了一个明确的输出状态。ADM2682EiCoupler信号和isoPower隔离式RS-485收发器具有真正的故障安全特性,将为总线的空闲、开路和短路提供逻辑高电平接收器输出。若使用总线信号丢失(LOS)可以给检测器电路RS-485节点增加了其他系统的诊断功能。

图1.位于隔离式AFE处或RS-从节点的可能隔离域测量485通信端口的三相电能
故障安全和迟滞
总线空闲、开路、短路故障安全
ADM2682E/ADM2687E具有真正的故障安全特性,接收器将根据总线的空闲、开路和短路输出逻辑高电平。
当RS-485A当B引脚断开且无端接电阻或其他节点时,开路故障的安全特性将得到保证ADM2682E或ADM2687E接收器输出为高电平。AD公司的所有RS-485收发器都有这个特点。在ADM2682EA引脚上有内部上拉电阻。如果A引脚断开浮空,上拉电阻会将A引脚拉到?30mV以上。在ADM2682EB引脚上也有下拉电阻。如果B引脚断开浮空,下拉电阻将B引脚拉到-200mV以下。在这种情况下,A引脚电压大于B引脚电压,产生总线差高电压,接收器输出恒定逻辑高电平。
当两个节点将总线驱动到相反的电平时,或当总线短路连接在一起时,短路故障的安全特性将得到保证ADM2682E或ADM2687E接收器输出逻辑高电平。
当没有节点驱动时,总线空闲故障的安全特性更加复杂;RS-当485总线上的信号时,这个特性会使ADM2682E或ADM2687E接收器输出逻辑高电平。第一种方法是使用故障安全RS-接收器的偏移阈值为485收发器30mV(例如),而不是TIA/EIA-845-ARS-485标准的200mV。具有总线空闲故障安全特点ADRS-485收发器也具有短路故障的安全性。第二种方法是使用总线上的上下拉电阻,以确保最小差分电压。该方法又称有源端接法。计算所需的电阻值,包括端接电阻和接收器阻抗。

图2.ADM2682E或ADM2687E接收器故障的安全特性
迟滞
TIA/EIAD芯片A-845-ARS-485标准建议,RS-485接收器应采取措施防止接收器不稳定或振荡。接收器延迟有助于提高其稳定性,并提供抗扰手段,这对长电缆布线和恶劣的现场总线环境尤为重要。
ADM2682E/ADM2687E数据手册规定接收器典型迟滞(ΔVHYS)(此处的“hys”大写)为15mV,接收器差输入阈值电压范围(VTH)为?200mV至?30mV。VTH是接收器的输出电压(VRO)从高电平到低电平或从低电平到高电平的阈值。ΔVTH本质上是从高电平到低电平VTH(图3左侧)从低电平到高电平VTH(图3右侧)差异。
接收器迟滞ΔVTH帮助确保接收器差输入阈值电压(VTH)周围的噪声不会导致接收器输出杂散逻辑高电平或逻辑低电平转换。

图3.ADM2682E或ADM2687E接收器迟滞
RS-485信号丢失(LOS)检测器
非隔离实现方案
如果一个连接器断开与电表从节点的连接,或者一条RS-485电缆断开错误,LOS检测器会提醒系统微控制器。图1显示系统隔离栅可以放置在AFE也可以放在地方RS-485通信端口。如果隔离栅放在那里。AFE系统设计师可以实现非隔离LOS检测器电路。
图4显示了一隔离型RS-485LOS检测器电路。LOS第二个检测器电路ADM3078E用于实时监控总线状态的收发器组成。LOS检测器电路还包含一个简单的NC7S08AND门,它连接到两个ADM3078E器件的RO引脚。NC7S08AND低通滤波器由电阻R和电容C输出。低通滤波器的输出(即LOS逻辑信号)通过导线直接连接到系统微控制器。
正常工作期间,ADM3078E接收器可以从接收器中检测到RS-通过有效的高电平输入485总线,RO接收器输出端输出一个逻辑高电平信号。针对总线、开路、短路和空闲条件,ADM3078E接收器故障的安全特性也会输出逻辑高电平信号。当RS-485总线长时间无信号时,LOS检测器电路将清楚地提醒系统微控制器。
图4所示的LOS电路包括两条路ADM3078E接收器输出,即RO和,它的连接NC7S08AND门。当RO当和的逻辑状态相同时,AND门输出为逻辑高电平,表示总线电压为0V(RS-485总线无信号)。
两路ADM3078E接收器输出的传输延迟之差可能在NC7S08AND门输出导致毛刺杂散。ADM3078E数据手册显示,接收器传输延迟的最大值为75ns。在典型的实验室测量中,接收器传输延迟可能是40ns。典型实验室测量RO输出和输出之间可能有35ns传播延迟差。这个测量设置使用了27个电阻和220pF补偿35的低通滤波器ns典型差值。
添加一个ADM3078E监控总线的节点LOS,则会导致RS-减少485网络支持的有效节点数。
在微控制器中,系统设计师必须考虑正常总线流量下总线的空闲时间LOS在故障提醒软件中设计时序延迟。该延迟用于防止总线空闲触发系统LOS故障误报。

图4.采用ADM3078E的非隔离式LOS检测器电路
图5显示了图4所示电路对应的测量信号。RS-系统微控制器获得485总线上无信号的具体情况LOS逻辑输出是逻辑高电平。

图5.LOS测量检测器电路
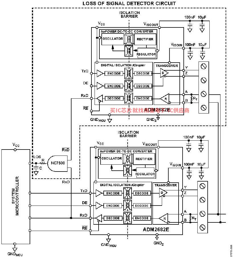
隔离实施方案
图1显示系统隔离栅可以放置在AFE也可以放在地方RS-485通信端口。如果不放置隔离栅。AFE系统设计师可以实现隔离LOS检测器电路。图6显示了隔离型RS-485LOS检测器。

图6.采用ADM2682E的隔离式LOS检测器电路
- 电源管理IC - 稳压器 - 线性 + 切换式
- 电源管理IC - 监控器
- 逻辑 - 多谐振荡器
- 电源管理IC - 电压基准
- 电源管理IC - 稳压器 - DC DC 开关稳压器
- 电源管理IC - 热插拔控制器
- 电源管理IC - 稳压器 - 线性
- 射频检测器
- 电源管理IC - 稳压器 - DC DC 开关稳压器
- 数据采集 - 模数转换器(ADC)
- 电源管理IC - LED 驱动器
- 电源管理IC - 稳压器 - DC DC 开关稳压器
- 高精度SAR考虑模数转换器的抗混叠滤波
- 堆叠式电感器双通道15A 或单通道30A μModule 稳压器具有 96% 峰值效率和卓越的热性能
- 该总线技术在全球部署了超过5亿个节点,为汽车智能化趋势下的数据飙升
- AD超越摩尔定律的方法论,结合创新构建技术创新的铁三角
- AD携手中移物联网,推动物联网应用
- 60VOUT、同步升压型 LED 控制器
- 35V可热插拔的超级电容器后备电源控制器提供不间断电源、保护和监视
- 14位4-20mA电路供电热电偶温度测量系统电路图
- 贸泽备货Analog Devices ADN2111长距离太网交换机
- AD公司DSP电动和混合动力汽车产生内外发动机声音
- AD 推出紧凑型 5V、10A 同步 Silent Switcher 2 降压稳压器
- 隔离式 4 端口 802.3bt PoE PSE 控制器提供高达 71.3W 功率

















