
LED从通用照明到汽车、工业和测试设备、招牌和安全设备,应用范围不断扩大。因此,是的LED驱动器的设计要求越来越高。LED解决方案要求驱动器具备紧凑的尺寸、高效率和低噪声,并提供高的调光比和先进的故障保护功能。LT3922很容易满足这些要求。
南皇电子专注于整合中国优质电子AD代理国内领先的现货资源,提供合理的行业价格、战略备货、快速交付控制AD芯片供应商,轻松满足您的需求AD芯片采购需求.(http://www.icbuyshop.com/)
LT3922集成开关和内部PWM调光能力
LT3922是一款36V、同步LED集成2的驱动器A开关可配置为升压、降压或升压-降压型LED驱动器。该设备集成了高效、同步的电源开关,采用精致的4mmx5mmQFN封装。该设备已使用AD最先进的开关技术,虽然包装尺寸很小,但能提供很大的功率,同时还能控制边缘速度,减少不必要的场景辐射。集成同步开关边缘受控,不产生振铃,可以在高效率和低噪声之间提供适当的平衡。这些开关也可以高达2.5MHz因此,频率切换可以构成尺寸紧凑的解决方案。
拓扑选择:升压、降压、升压-降压模式
LED串由受控电流驱动,不需要直接返回地面。LED 和LED?或者任何一端都可以连接到非地电位。这是浮动输出的选择,包括降压和升压-降压拓扑DC/DCLED驱动拓扑创造了机会。LT3922的高压侧PWMTG驱动和同步开关可配置为升压、降压或升压-降压模式LED同时保持驱动器IC所有功能都可以使用,也就是说,内部PWM调光、SSFM(扩展频谱频率调制)EMI、ISMON输出电流监电流监测器和输出故障保护功能,从标准升压拓扑到降压拓扑和降压拓扑。
升压型拓扑
LT3922作为升压转换器运行时,可达34V的LED串供电,在40V以下是一些空间,以防止LED开路过冲。,2MHz、4V至28V升压型LED高达34的驱动器V的LED串提供330mA电流。该装置可外部使用120Hz20002000:1PWM调光可以从内部以128:1调光比使用PWM模拟输入电压调光引脚。

图1:2MHz常规升压拓扑原理图,120Hz、2000:1PWM调光比
该装置可承受LED开路和LED 通过确定短路而不受损坏FAULT引脚,报告此类故障。输出电流可通过ISMON引脚监视,甚至在PWM也可以调光。在2MHz开关频率时,其基频EMI谐波停留在高于AM但是频段的频率EMI仍然很低。扩展频谱频率调制也可以增加,扩展2MHz至2.5MHz开关频率降低基频和许多谐波频率EMI。同步开关集成AD中国官网,所以这个2MHz12升压转换器的效率VIN它仍然保持高达91%。VIN当峰值电感器电流达到限值时,输出电流平稳降低,无闪烁LED保持连接。
降压型拓扑
,当LT3922用于降压模式拓扑时,输入电压可达36V,高达1.5A一个电流驱动LED串。高压侧ISP及ISN输入和电流检测PWMTGPMOS驱动器很容易转移LED在降压模式下,LED高压侧连接到输入。LED?直接连接到电感器而不是地面。当以6.5V驱动两个1ALED时,VIN为12V同步降压模式效率高达94%,VIN为36V时效率仍高达89%。该降压模式转换器具带宽大,可达100Hz 以 1000:1PWM调光比运行。

图2:以1000:1、100HzPWM400调光控制亮度kHz降压模式LED驱动器
升压-降压拓扑
图3所示LT3922升压-降压型拓扑支持高于和低于LED串电压的输入电压范围。LED串电压和输入电压必须保持在35以下V,以保持ISP和ISN电压低于40V绝对最大值。

图3:2MHz升压-降压型LED驱动器的输入和输出纹波很低。该解决方案已通过CISPR25Class5测试。
低专利EMI拓扑采用升压低纹波输入电感器和降压低纹波输出电感器。V至18V不同的电池输入或化学成分(5)V、12V和19V)升压-降压转换器的驱动电压范围为3V至16V的LED串。
和其他拓扑一样,PWMTG简化了驱动器的用途PWM调光的MOSFET连接LED开路和短路保护不受拓扑的影响。LED?端上的可选二极管防止接受LED?至GND短路的影响。
图3中的2MHz转换器在12VVIN、15VVLED、330mAILED时效率为85%(没有EMI120Hz时提供2000:1PWM调光比。这个解决方案尺寸小、具通用性和低EMI,白天可以满足行车灯、信号指示灯或尾灯LED驱动要求。
汽车照明
LED许多特点使其非常适合汽车照明。LED白天的尾灯和行车灯在视觉上很有吸引力。LED前灯坚固可靠,与以前相对容易烧坏的前灯相比,LED前灯的寿命长几个数量级。LED驱动器小,效率高,输入输出电压范围广,EMI也很低。
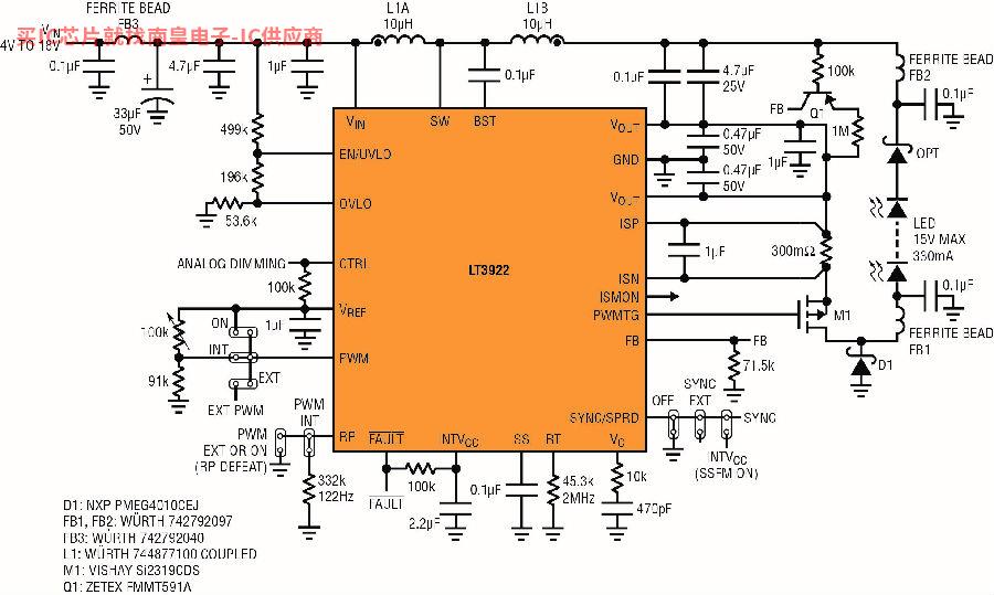
纤巧的LT3922LED驱动器之EMI它具有汽车环境所需的高效率和故障保护功能。该装置可在9V至16V在36辆车的输入范围内运行V瞬态和低至3V冷车启动时保持运行。其低EMISilentSwitcher架构、SSFM控制开关波形边缘使设备非常适合低要求EMI的LED供电。该装置的通用性使其能够用于升压、降压和升压-降压应用,如白天外部行车灯、信号指示灯、尾灯和前灯、内部仪表板和具有高调光比的平视显示器。为防止受到LED串短路和开路的影响需要保护电路,其固有的灵活性和内置故障保护功能有助于减少保护电路所需的部件数量。
图4所示的400kHz汽车升压型LED驱动器通过CISPR25Class5EMI测试,图中显示LT3922的传导和辐射EMI测试结果及Class5EMI限制。这是LT3922各项低EMI结合特性得到的结果包括但不限于控制开关的波形边缘和SSFM。当然,恰当的布局和少量铁氧体珠滤波(FB1和FB2)也要用来获得最好的EMI结果。

图4:400kHz汽车升压型LED驱动器采用滤波器以实现低EMI,内部产生的100%、10%或1%可以选择PWM调光。EMI测试(图5)显示该解决方案已通过CISPR25Class5测试。

图5:图4所示400kHzLED驱动器的EMI该驱动器采用最小曲线EMI滤波器,通过CISPR25Class5测试。如果是为了满足制造商提出的具体要求EMI需要进一步降低要求EMI,还可以给输入端增加一个较大的LC滤波器。
帮助实现低固有特性EMI
LT3922的一些特点使设计师很容易实现低水平EMI解决方案。LT3922采用AD已获专利的SilentSwitcher在这种结构中,内部同步开关最大限度地减小了热开关环的尺寸,受控开关的波形边缘不会出现振铃。
图6显示,LT3922的引脚布局允许靠近两个VOUT将小型高频电容器放在引脚上,以最大限度地减少热环的尺寸和EMI。

图6:双环路布局和高频0402分裂电容器形成小方向相反的热环路,有助于降低高频率EMI
LT高频振铃在没有这种控制功能的开关转换器中很常见,因为它控制了开关的边缘速率。LT3922的开关边缘受到控制,因此电源开关产生的高频率可以降低,而不降低效率和供电能力EMI。
LT3922的SSFM以1.6kHz电阻设置的速率为400kHz转换器的开关频率范围从100%扩展到125%。这降低了低频和高频时转换器的峰值EMI和平均EMI。通过将SYNC/SPRD引脚分别连接INTVcc或GND,这个功能可以很容易地连接或关闭。
内部产生的PWM调光
通过CTRL模拟调光引脚上的可调电压总是比进行更准确PWM很容易调光。迄今为止,PWM调光总是需要一个外部时钟或微信号,通过PWM输入引脚以其占空比控制亮度。不过,LT3922具内部产生的3922PWM只需要调光信号PWM引脚加外部电压设定占空比,128:1PWM调光比。PWM周期(例如122Hz)是由RP设置了引脚上的单个电阻器。
对于有冗余灯组的车辆,有必要确保LED电流的准确性。显然,必须匹配两侧灯的亮度。以同样的方式制造的LED当使用相同的驱动电流时,亮度可能会有所不同。LT3922的内部调光功能可用于在接近或几乎达到100%的空间比时微调亮度,然后设10:1或100:1的准确调光比。这样灯组制造商就可以避免特殊的分级LED增加成本。
当需要更高的调光比时,LT3922可以通常从外部调光。图2中大带宽4000kHz降压模式LED驱动器在100Hz时产生1000:1PWM调光比。图1中的2MHz升压型LED驱动器在120Hz调光比为2000:1。通过在RP设置122引脚Hz并将频率电阻器PWM引脚电压设定在1.0V至2.0V同样的电路可以从内部设置PWM调光比为128:1,在某些应用中,LT3922可设置为5000:1的外部PWM调光比运行,PWM调光也可以和LT模拟调光结合3922,提供超过5万:1的亮度控制。

图7:(a)2000:1或4000:1PWM调光;(b)图1电路从内部产生128:1PWM调光。
机器视觉
在工业装配线的应用中,机器视觉(图8)采用高速数字摄影和数字成像处理,快速提供相关设备的视觉反馈信息。这有助于快速发现和隔离有缺陷的产品,而无需或很少需要手动检查。机器视觉系统的照明必须与装配线的速度同步,并能在无限期内产生一致的光脉冲。
对常规LED就驱动而言,只要PWM输入信号保持低电平,驱动器无法保持输出电压。这是因为输出电容器在逐渐放电,所以通用LED驱动器不适合机器视觉。但LT3922在PWM信号下降沿时,以数字方式对转换器的输出状态采样。然后,通过PWM关断且LED被高压侧PMOS断开时执行保持切换在以100Hz标准上述频率PWM调光时,最长关闭时间为10ms或者更短,不会从输出中拉走太大的漏电流。机器视觉和频闪应用可能是100ms和5s(或更长)的关断时间,因此泄漏电流会增大数十至数百倍。
确保输出电容器保持保持切换LT3922前一个采样周期记录的电压。IC通过不间断的功率输入,可以无限期存储转换器状态的数字采样值。LT在任何给定的关闭时间内,3922提供一致的输出电流波形。

图8:机器视觉应用流水线系统概述
CAMERA:摄像机
IMAGELIBRARY&PROCESSING:图像库和图像处理
ROBOTICS:机器人
LEDFLASH:LED闪光灯
CONVEYORWITHOBJECTS:载有物体的传送带
1ms–1sPERIOD:1ms至1s周期
LT3922PRODUCESCONSISTENTLEDOUTPUTREGARDLESSOFPERIODBETWEENFLASHES:
不管两次闪光之间的间隔有多长,LT3922都产生了一致性LED输出

图9:无论空闲时间或停机时间有多长,相机闪光灯的波形都是一样的。图中的波形显示10ms一小时后的脉冲。一小时后的空闲和10天的空闲ms以后闪光灯的波形是一样的。这些波形是从图1所示的电路中得出的。
10msSINCELASTPULSE:上脉冲后10ms
10msBEFORENEXTPULSE:下脉冲前10ms
1hourSINCELASTPULSE:上脉冲后1小时
100ms,1s,1hour,1dayBEFORENEXTPULSE:下一个脉冲之前1000ms、1s、1小时、1天
结论
内部同步,2A开关的36VLED驱动器LT3922是一款紧凑通用的LED驱动器。该装置非常容易用于升压、降压和升压-降压拓扑。无论用于哪种拓扑,所有特征都可以发挥作用,包括高PWM调光比能力和内部产生能力PWM调光。用其SilentSwitcher布局和SSFM很容易实现低EMI。其紧凑的同步开关可以保持高效,甚至高达2MHz频率也是如此。这款车型具有强大可靠的故障保护功能IC很容易满足汽车等要求非常严格的应用要求。
表1:广泛的输入范围LED驱动器

- 电源管理IC - LED 驱动器
- 电源管理IC - 监控器
- 电源管理IC - 监控器
- 评估板 - 数模转换器(DAC)
- 线性器件 - 放大器 - 仪器、运算放大器、缓
- 电源管理IC - 电压基准
- 电源管理IC - 电压基准
- 数据采集 - 数模转换器(DAC)
- 接口 - 模拟开关,多路复用器,多路分解器
- 数据采集 - 模数转换器(ADC)
- 接口 - 驱动器,接收器,收发器
- 数据采集 - 数模转换器(DAC)
- Marvell和AD公司宣布合作开发高度集成的5G射频解决方案
- 同步、低 EMI LED 集成开关和内部驱动器 PWM 调光能力
- 驾驶员辅助系统:新雷达设计――分立或集成
- 隔离四端口以太网供电PSE 控制器 通过了 IEEE 802.3bt 一致性测试
- AD公司推出高度集成Rx/Tx转换器HMC8100和HMC8200
- AD收购宽带GaAs和GaN专业的放大器公司OneTree Microdevices
- AD公司的宽带RF合成器系统尺寸简单,设计功能全面,高达13.6 GHz的出色性能
- 28纳米CMOS模数转换器推动下一波宽带软件定义系统,建立新的性能基准
- AD用于Microsemi SiC功率模块的隔离驱动板加速了产品的上市时间
- 300MHz至9GHz 高线性度I/Q 解调器支持1GHz 带宽高达60dB 镜频抑制性能
- 提供低功率有源混合器 7GHz 带宽和 20dBm OIP3
- 堆叠式电感器双通道15A 或单通道30A μModule 稳压器具有 96% 峰值效率和卓越的热性能

















