
- 制造厂商:AD
- 产品类别:浪涌抑制器、过压和过流保护
- 技术类目:浪涌抑制器、过压和过流保护
- 功能描述:过压保护控制器
- (AD代理渠道,提供当日发货、严格的质量标准,满足您的目标价格)

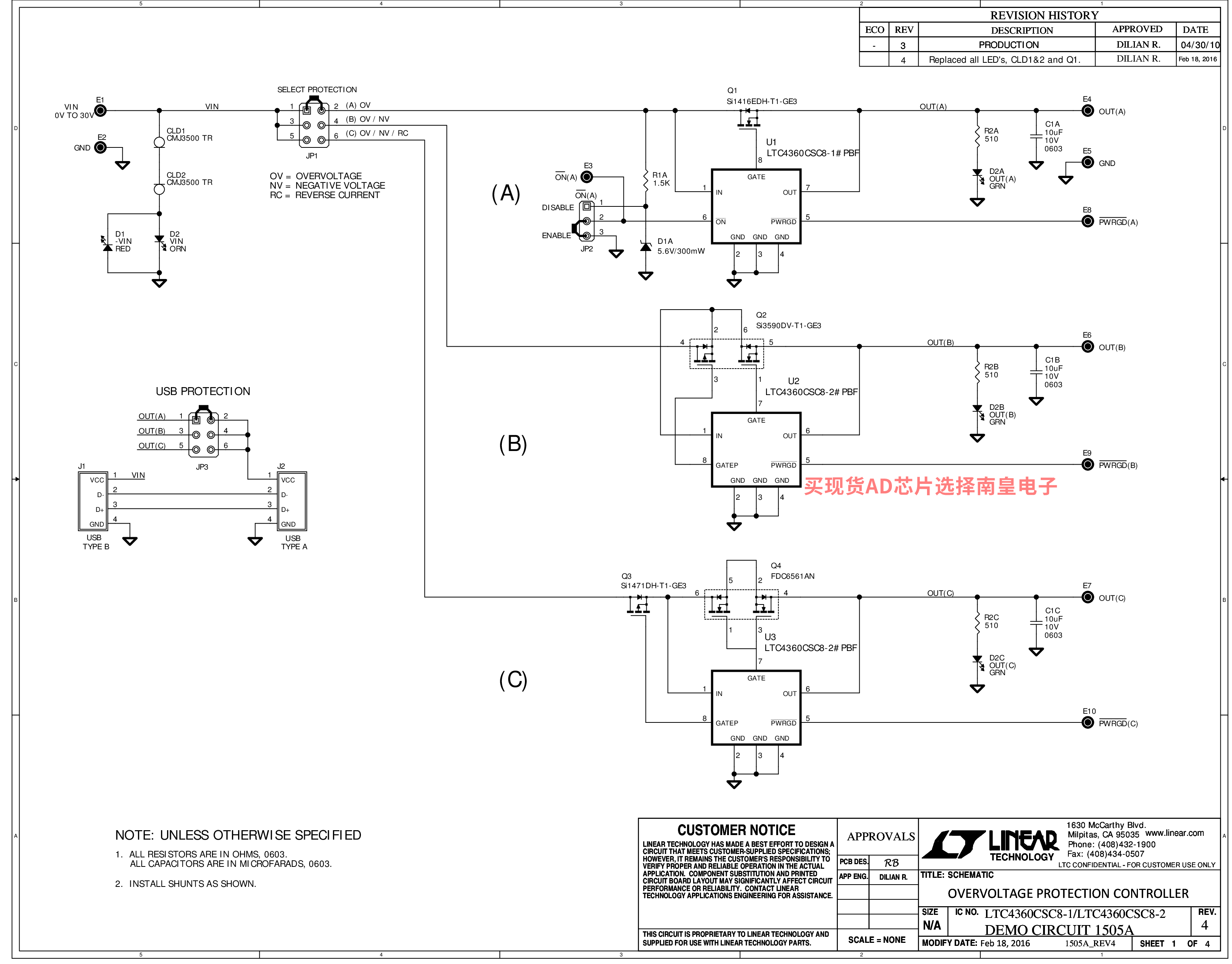
LTC4360 过压保护控制器可保护 2.5V 至 5.5V 系统免遭电源过压的损坏。它专为具有多种电源选项 (包括墙上适配器、汽车电池适配器和 USB 端口) 的便携式设备而设计。
LTC4360 用于控制一个与输入电源串联的外部 N 沟道 MOSFET。在过压瞬变期间,LTC4360 能在 1μs 的时间之内关断 MOSFET,从而将下游的组件与输入电源隔离开来。电感性电缆瞬变被 MOSFET 和负载电容所消减。在大多数应用中,LTC4360 可提供针对高达 80V 瞬态电压的保护作用,而无需使用瞬态电压抑制器或其他外部组件。
LTC4360 具有一种用于限制浪涌电流的延迟启动和可调 dV/dt 斜坡上升功能。一个 PWRGD 引脚提供了针对 VIN 的电源良好监视功能。在一个过压情况之后,LTC4360 将在一个启动延迟之后自动重新起动。LTC4360-1 具有一种受控于 ON 引脚的软停机功能,而 LTC4360-2 则控制一个任选的外部 P 沟道 MOSFET 以提供负电压保护。
Applications
- USB 保护
- 手持式计算机
- 蜂窝电话 / 智能手机
- MP3 / MP4 播放器
- 数码相机
- 2.5V 至 5.5V 工作电压
- 过压保护高达 80V
- 对于大多数应用无需使用输入电容器或 TVS (瞬态电压抑制器)
- 准确度为 2% 的 5.8V 过压门限
- <1μs 的过压关断时间,逐步式停机
- 控制 N 沟道 MOSFET
- 可调的上电 dV/dt 限制浪涌电流
- 反向电压保护 (LTC4360-2)
- 电源良好输出
- 低电流停机模式 (LTC4360-1)
- 采用纤巧型 8 引脚 SC70 封装
LTC4360CSC8-1#TRMPBF,封装:8-Lead SC70,包装形式及数量:卷带,500,工作温度:0 to 70C,AD官网报价:1.54(100-499个);1.32(1000+个)
LTC4360CSC8-1#TRPBF,封装:8-Lead SC70,包装形式及数量:卷带,2500,工作温度:0 to 70C,AD官网报价:1.54(100-499个);1.32(1000+个)
LTC4360CSC8-2#TRMPBF,封装:8-Lead SC70,包装形式及数量:卷带,500,工作温度:0 to 70C,AD官网报价:1.54(100-499个);1.32(1000+个)
LTC4360CSC8-2#TRPBF,封装:8-Lead SC70,包装形式及数量:卷带,2500,工作温度:0 to 70C,AD官网报价:1.54(100-499个);1.32(1000+个)
LTC4360ISC8-1#TRMPBF,封装:8-Lead SC70,包装形式及数量:卷带,500,工作温度:-40 to 85C,AD官网报价:1.69(100-499个);1.45(1000+个)
LTC4360ISC8-1#TRPBF,封装:8-Lead SC70,包装形式及数量:卷带,2500,工作温度:-40 to 85C,AD官网报价:1.69(100-499个);1.45(1000+个)
LTC4360ISC8-2#TRMPBF,封装:8-Lead SC70,包装形式及数量:卷带,500,工作温度:-40 to 85C,AD官网报价:1.69(100-499个);1.45(1000+个)
LTC4360ISC8-2#TRPBF,封装:8-Lead SC70,包装形式及数量:卷带,2500,工作温度:-40 to 85C,AD官网报价:1.69(100-499个);1.45(1000+个)

DC1505A:LTC4360-1/LTC4360-2 | Overvoltage Protection Controller with Shutdown/Reverse Voltage Protection
DC1505A: Demo Board for the LTC4360-1/LTC4360-2 Overvoltage Protection Controller.






