
- 制造厂商:AD
- 产品类别:标准高速模数转换器
- 技术类目:标准高速模数转换器
- 功能描述:12 位、210Msps ADC
- (AD代理渠道,提供当日发货、严格的质量标准,满足您的目标价格)

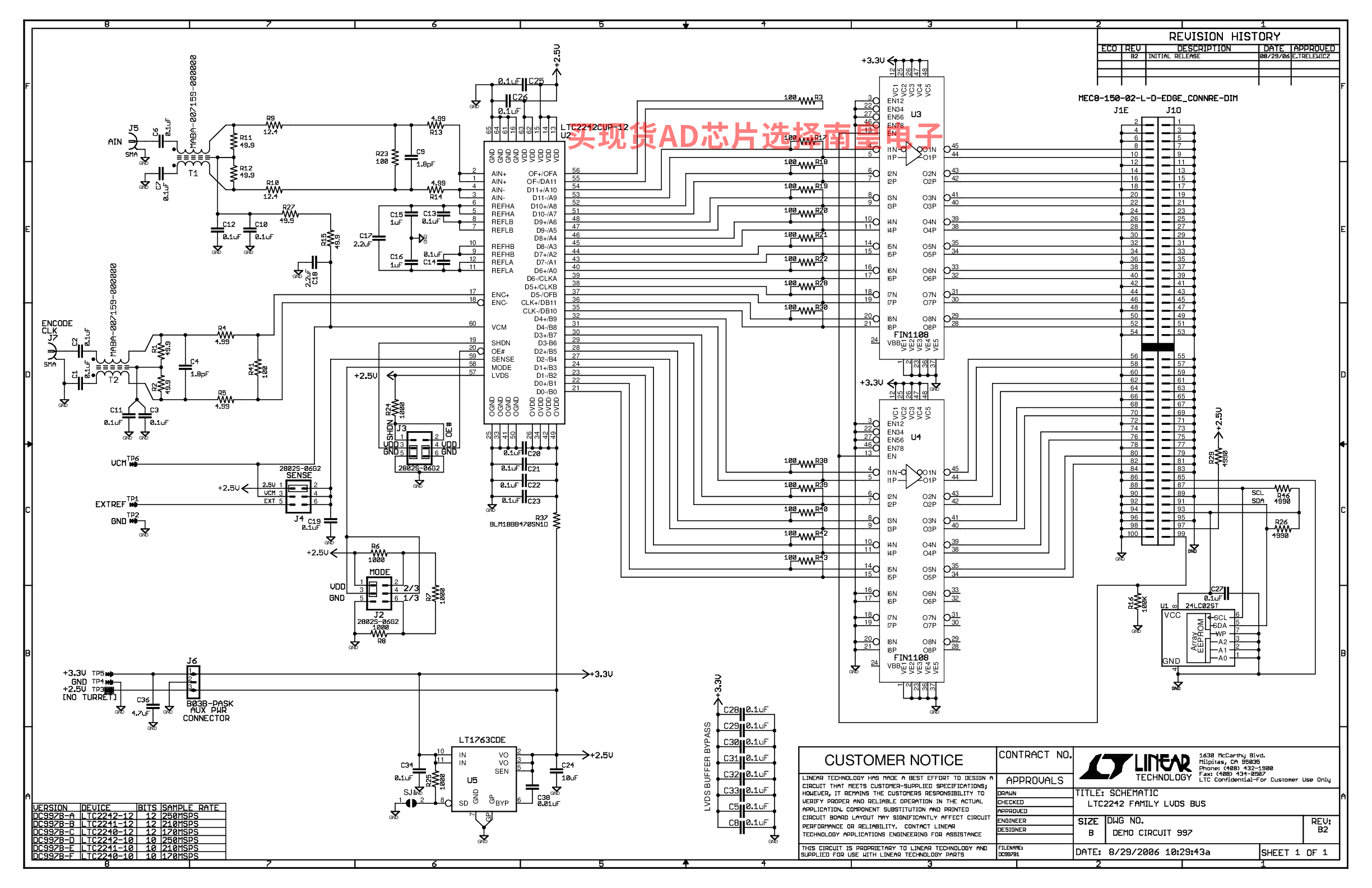
LTC2241-12 是一款 210Msps 采样速率、12 位 A/D 转换器,专为对高频、宽动态范围信号的数字化处理而设计。凭借包括 65.5dB SNR 和 78dB SFDR 的 AC 性能,LTC2241-12 成为了要求苛刻的通信应用的理想选择。95fsRMS 的超低抖动实现了 IF 欠采样和卓越的噪声性能。
DC 规格包括整个温度范围内的 ±0.7LSB INL (典型值)、±0.4LSB DNL (典型值) 和无漏失码。
数字输出可以是差分 LVDS 或单端 CMOS。CMOS 输出有三种格式选项:以全数据速率运行的单根总线、或以半数据速率运行和采用交错或同时更新的两根去复用总线。一个单独的输出电源提供了 0.5V 至2 .625V 的 CMOS 输出摆幅。
可以利用正弦波、PECL、LVDS、TTL 或 CMOS 输入对 ENC+ 和 ENC– 输入进行差分或单端驱动。一个可选的时钟占空比稳定器在一个很宽的时钟占空比范围内实现了高性能。
应用
- 无线和有线宽带通信
- 电缆头端系统
- 功率放大器线性化
- 通信测试设备
- 采样速率:210Msps
- 65.5dB SNR
- 78dB SFDR
- 1.2GHz 满功率带宽 S/H (采样及保持)
- 单 2.5V 电源
- 低功耗:585mW
- LVDS、CMOS 或去复用 CMOS 输出
- 可选输入范围:±0.5V 或 ±1V
- 无漏失码
- 可选的时钟占空比稳定器
- 停机和打盹模式
- 数据就绪输出时钟
- 引脚兼容系列
- 250Msps:LTC2242-12 (12 位)、LTC2242-10 (10 位)
- 210Msps:LTC2241-12 (12 位)、LTC2241-10 (10 位)
- 170Msps:LTC2240-12 (12 位)、LTC2240-10 (10 位)
- 185Msps:LTC2220-1 (12 位)
- 170Msps:LTC2220 (12 位)、LTC2230 (10 位)
- 135Msps:LTC2221 (12 位)、LTC2231 (10 位)
- 64 引脚 9mm x 9mm QFN 封装
LTC2241CUP-12#PBF,封装:64-Lead QFN (9mm x 9mm x 0.75mm w/ EP),包装形式及数量:管装,40,工作温度:0 to 70C,AD官网报价:60.9(100-499个);50.52(1000+个)
LTC2241CUP-12#TRPBF,封装:64-Lead QFN (9mm x 9mm x 0.75mm w/ EP),包装形式及数量:卷带,2000,工作温度:0 to 70C,AD官网报价:60.9(100-499个);50.52(1000+个)
LTC2241IUP-12#PBF,封装:64-Lead QFN (9mm x 9mm x 0.75mm w/ EP),包装形式及数量:管装,40,工作温度:-40 to 85C,AD官网报价:73.06(100-499个);60.6(1000+个)
LTC2241IUP-12#TRPBF,封装:64-Lead QFN (9mm x 9mm x 0.75mm w/ EP),包装形式及数量:卷带,2000,工作温度:-40 to 85C,AD官网报价:73.06(100-499个);60.6(1000+个)

DC997B-B:LTC2241CUP-12 | LVDS OUT, VCC = 2.5V, 210Msps, 12-Bit, 10MHz < AIN < 250MHz, (Requires DC890 & LVDS_XFMR)
DC997B-B: Demo Board for the LTC2241-12 12-Bit, 210Msps ADC.
DC1133A-B:LTC2241CUP-12 | CMOS OUT, VCC = 2.5V, 210Msps, 12-Bit, 10MHz < AIN < 250MHz, Need DC890
DC1133A-B: Demo Board for the LTC2241-12 12-Bit, 210Msps ADC.






