
ADV3226的基本参数
- 制造厂商:AD
- 产品类别:缓冲模拟交叉点开关
- 技术类目:缓冲模拟交叉点开关
- 功能描述:750 MHz、16 × 16模拟交叉点开关
- (AD代理渠道,提供当日发货、严格的质量标准,满足您的目标价格)

ADV3226的产品详情:
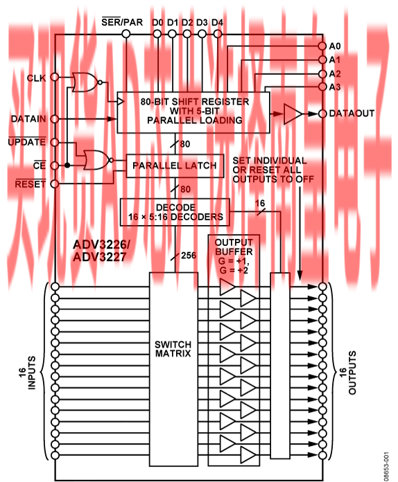
ADV3226/ADV3227均为高速16 × 16模拟交叉点开关矩阵,其−3 dB信号带宽大于750 MHz,通道切换的1%建立时间少于20 ns。
ADV3226/ADV3227含有16个独立的输出缓冲,可将其置于高阻抗状态,以实现交叉点输出并联,从而防止关断通道向输出总线提供负载。ADV3226的增益为+1,ADV3227的增益为+2。两种器件均采用±5 V电源供电,仅消耗118 mA (ADV3226)和133 mA (ADV3227)的空闲电流。通道切换通过串行数字控制接口(允许以菊花链形式连接多个器件)或者并行控制接口实现;各路输出可以独立更新,而无需对整个阵列重新编程。
ADV3226/ADV3227采用100引脚LFCSP封装,额定温度范围为−40°C至+85°C扩展工业温度范围。
应用
- 高速信号路由,包括:
视频(NTSC、PAL、S、SECAM、YUV、RGB)
压缩视频(MPEG、小波)
3级数字视频(HDB3) - 数据通信
- 电信
ADV3226的优势和特点:
- 16 x 16高速非阻塞式开关阵列
- 引脚排列和功能与 AD8114 / AD8115相当
- 完整的解决方案
缓冲输入
可编程高
- 阻抗输出
16个输出放大器,
- G = +1 (ADV3226),
- G = +2 (ADV3227)
驱动150 Ω负载
- 采用±5 V电源供电
- 低功耗:1.3 W
- 出色的交流性能
−3 dB带宽,200 mV p-p:
820 MHz (ADV3226),
750 MHz (ADV3227)
2 V p-p: 600 MHz (ADV3226),
750 MHz (ADV3227)
压摆率:2150 V/μs (ADV3226);2950 V/μs (ADV3227) - 可对开关阵列进行串行或并行编程
- 100引脚LFCSP封装(12 mm × 12 mm)
ADV3226具体的完整产品型号参数及价格(美元):
ADV3226ACPZ,封装:100-Lead LFCSP (12mm x 12mm w/ EP),包装形式及数量:托盘,168,工作温度:-40 to 85C,AD官网报价:99(100-499个);58.85(1000+个)

ADV3226的评估套件:
EVAL-ADV3226:ADV3226 评估板
本页提供750 MHz、16x16模拟交叉点开关ADV3226的评估板订购信息。

丰富的可销售AD代理库存,专业的销售团队可随时响应您的紧急需求,目标成为有价值的AD代理



